Produits
Clapet anti-retour à battant
  • Clapet anti-retour à battantClapet anti-retour à battant

Clapet anti-retour à battant

Jinqiu Valve fabrique un clapet anti-retour à battant de qualité, une vanne automatique également connue sous le nom de clapet unidirectionnel ou clapet anti-retour. Sa fonction est d'empêcher le fluide présent dans le pipeline de refluer, permettant ainsi au fluide de s'écouler dans une direction. Il empêche efficacement le reflux (flux de retour) qui pourrait endommager le système de canalisations. La vanne ouvre ou ferme ses composants d'ouverture et de fermeture par le débit et la force du fluide pour empêcher le fluide de refluer.
Jinquan Valve is a high-tech enterprise integrating valve product research, production, sales, and service. As an H44H and H44Y type PN16 ~ PN250 swing check valves supplier, our customized swing check valves are suitable for pressures of 1.6 ~ 25MPa, working temperatures of -29 ~ +550 ℃, and are applicable to pipeline conditions in the petroleum, chemical, pharmaceutical, fertilizer, power industries, and other environments. Applicable media include water, oil, steam, acidic media, and so on. We have been operating in the valve manufacturing field for over twenty years. With our experience, we have won high praise from the market for our reasonable prices, high quality, and attentive service.

1. Ouverture et fermeture automatiques : le clapet anti-retour à battant s'ouvre et se ferme automatiquement en fonction de la force du flux de fluide. Lorsque le fluide s'écoule dans la direction spécifiée, le disque de la vanne est poussé et la vanne s'ouvre. Lorsque le fluide cesse de s'écouler ou reflue, le disque de la vanne se ferme sous son propre poids ou sous la force du ressort, empêchant ainsi le reflux. Aucune opération manuelle n'est requise, permettant un contrôle automatique.
2. Étanchéité fiable : les surfaces d'étanchéité du disque et du siège de la vanne sont généralement constituées d'un alliage soudé à base de fer ou d'un alliage dur à base de cobalt Stellite, qui est résistant à l'usure, à la chaleur, à la corrosion et présente une bonne résistance aux rayures. Cela garantit un effet d'étanchéité stable à long terme et empêche efficacement les fuites de fluide. 3. Canal d'écoulement dégagé : le canal d'écoulement est conçu de manière rationnelle, ce qui entraîne une faible résistance aux fluides. Le fluide peut passer en douceur à travers le clapet anti-retour à battant, réduisant ainsi la perte de pression et la consommation d'énergie.

Paramètres de performances

modèle H44H-16C~250 H44W-16P~250
Pression de travail (MPa) 1,6 ~ 25
température appropriée (℃) ≤425 ≤550
Médias adaptés Eau, vapeur, huile Milieu corrosif faible
matériel Carrosserie, capot, disque Acier au carbone Acier inoxydable chrome-nickel-titane
Surface d'étanchéité Alliages à base de fer pour le surfaçage des aciers au carbone Corps scellé

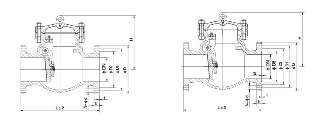
La forme principale et les dimensions de connexion

Diamètre nominalDN Les principales dimensions et dimensions de raccordement
L D D1 D2 b Z-d H
H44H-16C H44W-16C H44W-16P H44W-16R H44W-16I
25 160 115 85 65 16 4-14 100
32 180 135 100 78 16 4-18 105
40 200 145 100 85 16 4-18 115
50 230 160 125 100 16 4-18 135
65 290 180 145 120 18 4-18 142
80 310 195 160 135 20 8-18 165
100 350 215 180 155 20 8-18 180
125 400 245 210 185 22 8-18 210
150 480 280 240 210 24 8-23 233
200 500 335 295 265 26 12-23 304
250 550 405 355 320 30 12-25 348
300 650 460 410 375 30 12-25 390
350 750 520 470 435 34 16-25 430
400 850 580 525 485 36 16-30 468
H44H-25 H44W-25 H44W-25P H44W-25R H44W-25I
25 160 115 85 65 16 4-14 100
32 180 135 100 78 16 4-18 105
40 200 145 110 85 16 4-18 115
50 230 160 125 100 20 4-18 160
65 290 180 145 120 22 8-18 175
80 310 195 160 135 22 8-18 185
100 350 230 190 160 24 8-23 220
125 400 270 220 188 28 8-25 248
150 480 300 250 218 30 8-25 276
200 550 360 310 278 34 12-25 350
250 650 425 370 332 36 12-30 410
300 750 485 430 390 40 16-30 430
350 850 550 490 448 44 16-34 518
400 950 610 550 505 48 16-34 560

Image de la structure

Balises actives: Clapet anti-retour à battant, Chine, personnalisé, qualité, durable, avancé, fabricant, fournisseur, usine, en stock
envoyer une demande
Informations de contact
  • Adresse

    No.1, North 1st Road, nouvelle ville en acier inoxydable, Lecong Steel World West Road, district de Shunde, ville de Foshan, province du Guangdong, Chine

Pour toute demande concernant les robinets-vannes, les robinets à soupape et les clapets anti-retour ou la liste de prix, veuillez nous laisser votre e-mail et nous vous contacterons dans les 24 heures.

X
Nous utilisons des cookies pour vous offrir une meilleure expérience de navigation, analyser le trafic du site et personnaliser le contenu. En utilisant ce site, vous acceptez notre utilisation des cookies. politique de confidentialité
Rejeter Accepter