Produits
Robinet à soupape à bride en acier inoxydable
  • Robinet à soupape à bride en acier inoxydableRobinet à soupape à bride en acier inoxydable

Robinet à soupape à bride en acier inoxydable

Les vannes à soupape à bride en acier inoxydable de haute qualité J41H, J41Y et J41W fabriquées par l'usine JQF Valve sont les composants d'ouverture et de fermeture des vannes cylindriques. La surface d'étanchéité est plate ou conique et la vanne se déplace linéairement le long de la ligne centrale du fluide. Les vannes à vanne GB ne conviennent que pour les applications entièrement ouvertes et entièrement fermées et ne sont généralement pas utilisées pour la régulation du débit. La personnalisation de la régulation et de la limitation est disponible sur demande.


JQF Valve est une usine de fabrication de vannes à processus complet intégrant la recherche scientifique, la conception, la production, la vente et le service après-vente. Notre robinet à soupape à bride en acier inoxydable de haute qualité est une soupape de sécurité spécialement conçue pour le contrôle de l'arrêt des pipelines de fluides tels que l'ammoniac et le gaz naturel. Il présente des performances d'étanchéité stables, une forte résistance à la corrosion et une utilisation facile. Fabriqué à partir de matériaux résistants à la corrosion tels que l'acier inoxydable, il convient à l'industrie chimique, résolvant les problèmes de mauvaise résistance à la corrosion et de fuite facile des vannes ordinaires. Il peut également être utilisé pour réguler le débit. Nous organisons notre gestion de production et d'exploitation selon les normes du système qualité GB/T19001-2000-ISO9001:2000, guidés par le principe de « fabrication de produits de haute qualité ». Nous introduisons continuellement des lignes de production et des équipements de pointe au niveau international et développons continuellement de nouveaux produits pour répondre aux besoins des clients. En regardant vers l’avenir, laissez-nous vous fournir des services complets via Internet et la communication interactive.


1. Une sélection stricte des matériaux garantit la qualité.
2. Le robinet à soupape à bride en acier inoxydable est résistant à l'usure, à la corrosion, aux hautes pressions et aux températures élevées, avec une longue durée de vie.
3. Il est flexible à installer, facile à démonter et dispose d'une rotation pratique du volant.
4. Le robinet à soupape à bride en acier inoxydable est étanche à l'eau et à la poussière, avec une structure raisonnable, une conception parfaite et d'excellentes performances d'étanchéité.
5. Le robinet à soupape à bride en acier inoxydable est principalement utilisé pour contrôler l'ammoniac, le gaz combustible et les milieux gazeux tels que l'azote et l'hydrogène.

Normes de mise en œuvre

Spécifications de conception : GB/T 12235
Longueur de la structure : GB/T 12221
Raccordement à bride : JB / T 79
Test et inspection : JB/T 9002
Identification du produit : GB/T 12220
Spécifications de livraison : JB / T 7928

Paramètres de performances

modèle J41H-16C ~ 160C J41Y-16C ~ 160C J41W-16P ~ 160P
Pression de travail (MPa) 1,6 ~ 16,0
température appropriée (℃) ≤425 ≤150
Médias adaptés Eau, vapeur, huile Milieu corrosif faible
matériel Carrosserie, capot Acier au carbone Acier inoxydable chrome-nickel-titane
Tige de valve Acier inoxydable chromé Acier inoxydable chrome-nickel-titane
Surface d'étanchéité Surfaçage des alliages à base de fer Alliage de rechargement Matériau du corps
remplisseur Graphite d'amiante, graphite flexible, PTFE

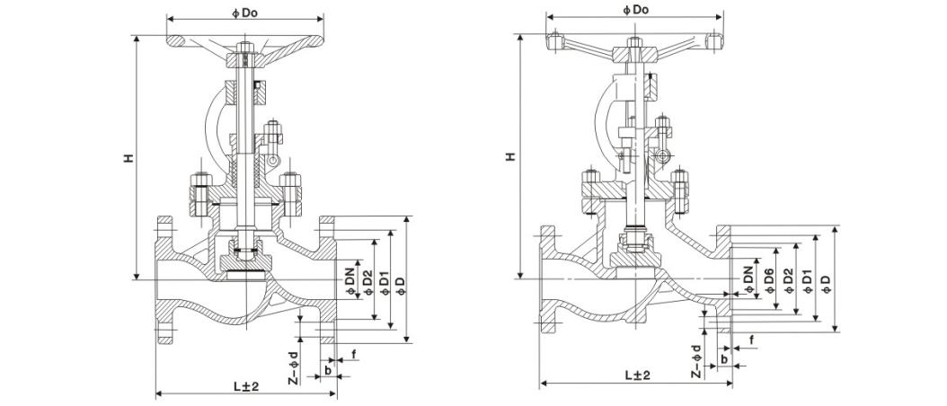
La forme principale et les dimensions de connexion

Diamètre nominal Les principales dimensions et dimensions de raccordement
L D D1 D2 b Z-d H D0
J41H-16C
15 130 95 65 45 14-2 4-Φ14 170 120
20 150 105 75 55 14-2 4-Φ14 190 140
25 160 115 85 65 14-2 4-Φ14 205 160
32 180 135 100 78 16-2 4-Φ18 270 180
40 200 145 110 85 16-3 4-Φ18 310 200
50 230 160 125 100 16-3 4-Φ18 358 240
65 290 180 145 120 18-3 4-Φ18 373 240
80 310 195 160 135 20-3 8-Φ18 435 280
100 350 215 180 155 20-3 8-Φ18 500 300
125 400 245 210 185 22-3 8-Φ18 614 320
150 480 280 240 210 24-3 8-Φ23 674 360
200 600 335 295 265 26-3 12-Φ23 811 400
250 650 405 355 320 30-3 12-Φ25 969 450
300 750 460 410 375 30-3 12-Φ25 1145 580
350 850 520 470 435 34-4 16-Φ25 1280 640
400 980 580 525 485 36-4 16-Φ30 1452 640
J41H-25C
15 130 95 65 45 16-2 4-Φ14 170 120
20 150 105 75 55 16-2 4-Φ14 190 140
25 160 115 85 65 16-2 4-Φ14 205 160
32 180 135 100 78 18-2 4-Φ18 270 180
40 200 145 110 85 18-3 4-Φ18 310 200
50 230 160 125 100 20-3 4-Φ18 358 240
65 290 180 145 120 22-3 8-Φ18 373 240
80 310 195 160 135 22-3 8-Φ18 435 280
100 350 230 190 160 24-3 8-Φ23 500 300
125 400 270 220 188 28-3 8-Φ25 614 320
150 480 300 250 218 30-3 8-Φ25 674 360
200 600 360 310 278 34-3 12-Φ25 811 400
250 650 425 370 332 36-3 12-Φ30 969 450
300 750 485 430 390 40-4 16-Φ30 1145 580
350 850 550 490 448 44-4 16-Φ34 1280 640
400 980 610 550 505 48-4 16-Φ34 1452 640

Image de la structure

Balises actives: Robinet à soupape à bride en acier inoxydable, Chine, personnalisé, qualité, durable, avancé, fabricant, fournisseur, usine, en stock
envoyer une demande
Informations de contact
  • Adresse

    No.1, North 1st Road, nouvelle ville en acier inoxydable, Lecong Steel World West Road, district de Shunde, ville de Foshan, province du Guangdong, Chine

Pour toute demande concernant les robinets-vannes, les robinets à soupape et les clapets anti-retour ou la liste de prix, veuillez nous laisser votre e-mail et nous vous contacterons dans les 24 heures.

X
Nous utilisons des cookies pour vous offrir une meilleure expérience de navigation, analyser le trafic du site et personnaliser le contenu. En utilisant ce site, vous acceptez notre utilisation des cookies. politique de confidentialité
Rejeter Accepter